InGaAs Avalanche Photodiode (APD) 2.5 Gbps(Chip or Chip-on-Carrier)
Product Code (Ordering Information):
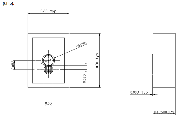
PDAF0055-C (Chip)
PDAF0055-CC (Chip-on-Carrier)
 
Applications:
- G-PON / Ge-PON
- Long Haul Receivers
- SONET/SDH Receivers
Features:
- Ceramic sub-carrier
- Planer Structure for High Reliability
- 1000 to 1625nm Spectral Response
- Low Dark Current
Description:
Go!Foton’s Avalanche Photodiode (APD), front-illuminate type is suitable for 2.5 Gbps applications in G-PON/Ge-PON. This InGaAs APD has a planer structure for high reliability.
Specifications:
Electro-Optical Characteristics
| Parameter |
Min. |
Typ. |
Max. |
Conditions |
| Active Area Diameter (μm) |
|
55 |
|
|
| Responsivity (A/W) |
0.80 |
|
|
1.55μm, M=1 |
| Dark Current (nA) |
|
|
50 |
0.9V , 25OC |
| Breakdwon Voltage (V) |
35 |
|
60 |
10μA |
| Capacitance (pF) |
|
|
0.7 |
1MHz, M=10 |
| Frequency Response (GHz) |
1.5 |
|
|
M=8, RL=50 |
| Operating Voltage (V) |
|
Vbr-1 |
|
M=10 |
| Punch-through Voltage (V) |
15 |
|
Vbr-10 |
See below |
| Temperature Coefficient of Vb (%/OC) |
0.1 |
0.15 |
0.25 |
|
| 1) Condition unless noted; 25OC, Pout =1uW |
| 2) Punch-through voltage is defined as voltage where 1.5V above the voltage where the first deviation of IV curve under illumination shos local maximum. |
| 3) Responsivity at punch-through voltage is defined as responsivity at M=1 |
Absolute Maximum Rating
| Parameter |
Min. |
Typ. |
Max. |
| Reverse Current (mA) |
|
|
1 |
| Forard Current (mA) |
|
|
2 |
| Maximum Input Poer (mW) |
|
|
1 |
| Operating Temperature4) (OC) |
0 |
|
+85 |
| Storage Temperature4) (OC) |
-40 |
|
+85 |
| 4) Operational or storage beyond these absolute maximum ratings cause permanent damage to the device. |
Dimension:


Printer friendly PDF version
|